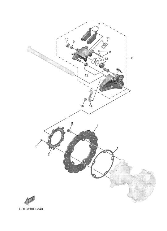
| # | Ref. | unds. | Precio/unidad | |
|---|---|---|---|---|
| 1 |
BW32518A0100 PLATE, FITTING |
1 | 39,00 € | + |
| 2 |
BW3F517G0000 ROTOR, SENSOR |
1 | 12,57 € | + |
| 3 |
901490503000 SCREW |
1 | 0,52 € | + |
| 4 |
BW32582W0100 DISK, REAR BRAKE 2 |
1 | 77,36 € | + |
| 5 |
901090804500 BOLT |
1 | 3,84 € | + |
| 6 |
BW3F580W1000 CALIBRE COMPLETO TRASEROS 2 |
1 | 241,14 € | + |
| 7 |
BW3F58060000 .BRAKE PAD KIT 2 |
1 | 34,66 € | + |
| 8 |
5VKF59241000 .PIN, PAD |
1 | 29,50 € | + |
| 9 |
56PF58240000 .SCREW, BLEED |
1 | 55,13 € | + |
| 10 |
4CUF58250000 .CAP |
20 | 1,54 € | + |
| 11 |
BNWF59192000 SOPORTE DE PASTILLAS |
1 | 17,87 € | + |
| 12 |
BNWF59170000 FUNDA DE CALIBRE |
1 | 30,55 € | + |
| 13 |
BW3F58021000 .PISTON ASSY, CALIPER |
1 | 69,71 € | + |
| 14 |
BW3F538L0000 HOLDER, BRACKET |
1 | 18,06 € | + |
| 15 |
901190610900 BOLT, WITH WASHER |
1 | 0,18 € | + |
